氣動滑環的傳動介質可以是水、油等液體介質,也稱為液壓滑環。氣動滑環傳輸的液體包含壓縮空氣、一氧化碳、水蒸氣和其他物質。
氣動滑環和電滑環的工作原理是一樣的,都是360度旋轉導電或傳輸各種信號。一般來說,它可以進行旋轉循環或旋轉通訊,它主要安裝在設備的旋轉中心,設備主要由旋轉和靜止兩部分組成。在連接設備的過程中,會隨著這個旋轉的結構進行旋轉運動,所以也被叫做是傳子彈,如果連接了靜止部件,它也叫定子。
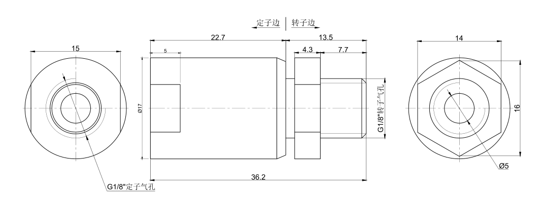
1路氣動滑環的結構
MK11A系列是單通道氣動滑環,有1個入口和1個出口、可壓縮空氣、真空等,帶著G1/8"牙;結構緊湊,重量輕,耐腐蝕,采用不銹鋼軸和鋁殼。
.png)
1路氣動滑環的安裝測試
