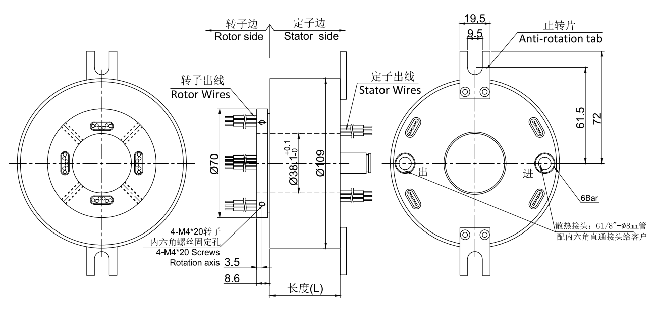
高速導電滑環的應用領域很多,比如雷達系統、高速轉臺/海工設備、艦艇系統/醫療設備/反應釜、旋轉燈箱、奶制品生產設備、直升機、繞線機、坦克、智能動態玩具、水平鍍銅生產線、游樂設施、路橋機械、機械手臂、旋轉舞臺、單晶爐、 手術燈、智能家電、圓形針織機、航空設備/熱滾輪、旋轉攝像機、雷達通訊設備、管內攝像機、盾構機、食品機械、加熱轉軸等;

| 技術規格參數 | ||||
| 機械技術指標 | 電氣技術指標 | |||
| 參數 | 數值 | 參數 | 數值 | |
| 工作壽命 | 3億轉 | 功率 | 信號 | |
| 額定轉速 | 8000RPM | 額定電壓 | 0~690VAC/VDC | 0~440VAC/VDC |
| 工作溫度 | -30℃~80℃ | 絕緣電阻 | ≥1000MΩ/500VDC | ≥1000MΩ/500VDC |
| 工作濕度 | 0~85% RH | 導線規格 | AWG16#鍍銀鐵氟龍 | AWG22#鍍銀鐵氟龍 |
| 接觸材料 | 貴金屬 | 導線長度 | 標準長度300mm(可據要求調整) | |
| 殼體材料 | 鋁合金 | 絕緣強度 | 500VAC@50Hz,60s | |
| 轉動扭矩 | 0.1N.m;+0.03N.m/6路 | 動態電阻變化值 | <0.03Ω | |
| 防護等級 | IP51 | |||




經過多年的經驗積累,默孚龍擁有20萬多個產品3D圖檔數據庫,
由于互聯網的開放性和同行競爭,需要產品3D圖檔的客戶請留下電子郵箱或者QQ。
審核完聯系方式后,我們的系統將在5分鐘內把3D自動發動到您的電子郵箱!