高清滑環是用于高清視頻信號(包括1080P,4K或者8K)傳輸和通信的一款產品,主要應用于360度連續旋轉且需要保證電源,高清,超高清視頻信號不能中斷的場合:如各種高端攝像車,電影拍攝設備,無人汽車,軍用無人機吊艙,工業無人機吊艙,高清攝像頭云臺,球機等;
| 技術規格參數 | |||
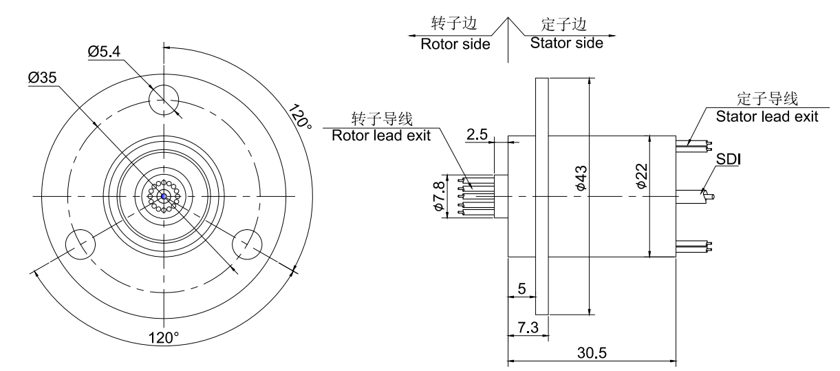
| 高清旋轉接頭技術參數 | |||
| 參數 | 數值 | 參數 | 數值 |
| 輸入輸出 | RG-179/U | 最大轉速 | 50RPM |
| 壽命 | 2億轉 | 接頭類型 | BNC/F |
| 阻抗 | 75 ohms | 額定電流 | 直流1A(最大) |
| 電氣技術指標 | |||
| 參數 | 數值 | ||
| 功率 | 信號 | ||
| 額定電壓 | 0~440VAC/VDC | 0~440VAC/VDC | |
| 絕緣電阻 | ≥1000MΩ/500VDC | ≥1000MΩ/500VDC | |
| 導線規格 | AWG28#鍍錫鐵氟龍 | AWG28#鍍錫鐵氟龍 | |
| 導線長度 | 標準長度300mm(可據要求調整) | ||
| 絕緣強度 | 500VAC@50Hz,60s | ||
| 動態電阻變化值 | <0.01Ω | ||
| 機械技術指標 | |||
| 參數 | 數值 | ||
| 工作壽命 | 1000萬轉 | ||
| 額定轉速 | 250RPM | ||
| 工作溫度 | -30℃~80℃ | ||
| 工作濕度 | 0~85% RH | ||
| 接觸材料 | 金-金 | ||
| 殼體材料 | 鋁合金 | ||
| 轉動扭矩 | 0.05N.m;+0.01N.m/6路 | ||
| 防護等級 | IP51 | ||






經過多年的經驗積累,默孚龍擁有20萬多個產品3D圖檔數據庫,
由于互聯網的開放性和同行競爭,需要產品3D圖檔的客戶請留下電子郵箱或者QQ。
審核完聯系方式后,我們的系統將在5分鐘內把3D自動發動到您的電子郵箱!