工業機器加工中心、旋轉工作臺、重型設備塔臺、電纜卷盤、包裝設備、磁性離合器、工藝控制設備、旋轉傳感器、緊急照明設備、機器人、展覽/顯示設備、醫療設備、旋轉門等;
| 產品等級表 | ||||
| MSP1049 是 MSP104 的高端版本,主要應用要求非常高的軍事,航空航天等, 區別如下: | ||||
| 型號 | 最高轉速 | 使用壽命 | 扭矩 | 電氣噪音①@10Rpm |
| MSP104 | 250RPM | 2000萬 | 0.02 N.m | 10mΩ |
| MSP1049 | 1000RPM | 1億 | 0.005 N.m | 4mΩ |
| 技術規格參數 | ||||
| 電氣技術指標 | 機械技術指標 | |||
| 參數 | 數值 | 參數 | 數值 | |
| 功率 | 信號 | 工作溫度 | -30℃~80℃ | |
| 額定電壓 | 0~210VAC/VDC | 0~210VAC/VDC | 工作濕度 | 0~85% RH |
| 絕緣電阻 | ≥1000MΩ/500VDC | ≥1000MΩ/500VDC | 接觸材料 | 金-金 |
| 導線規格 | AWG26#鍍錫鐵氟龍 | AWG26#鍍錫鐵氟龍 | 防護等級 | IP41 |
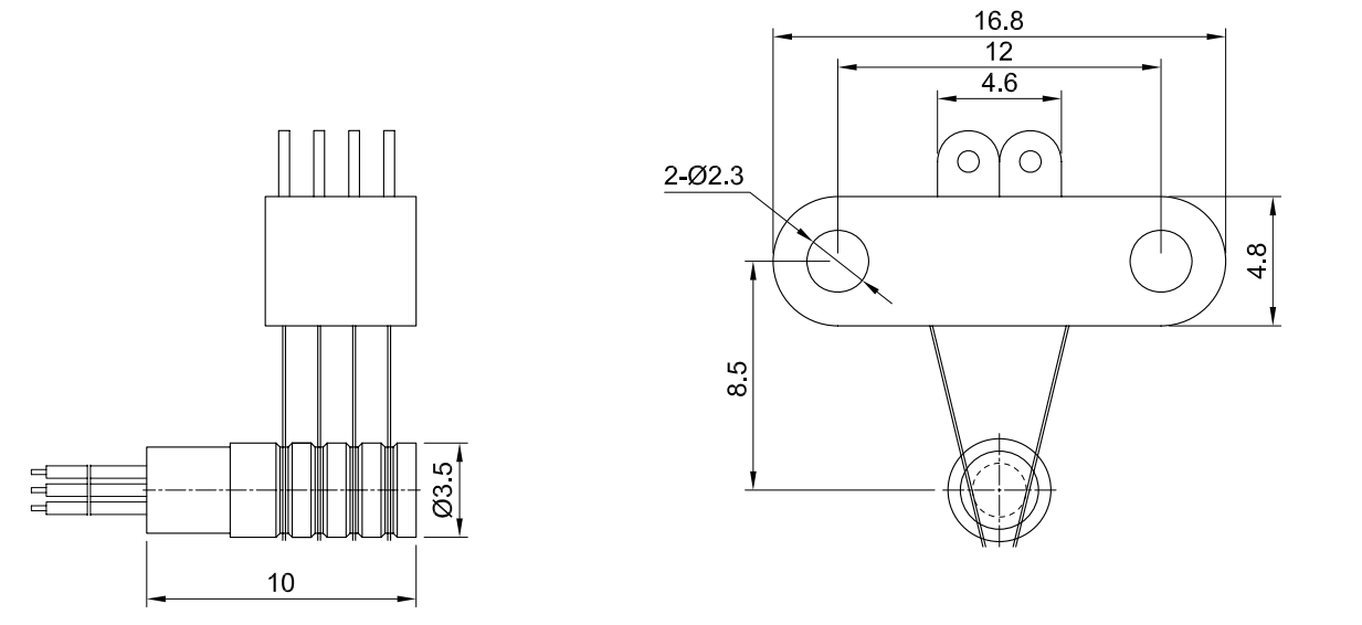
| 導線長度 | 標準長度300mm(可據要求調整) | |||
| 絕緣強度 | 500VAC@50Hz,60s | |||
| 動態電阻變化值 | <0.01Ω | |||








經過多年的經驗積累,默孚龍擁有20萬多個產品3D圖檔數據庫,
由于互聯網的開放性和同行競爭,需要產品3D圖檔的客戶請留下電子郵箱或者QQ。
審核完聯系方式后,我們的系統將在5分鐘內把3D自動發動到您的電子郵箱!