小型風力發電機、電鍍行業設備、加熱滾動等需要大功率,大電流的應用設備,另外還有其他工業控制領域也大量用到,如減震器大電流滑環,污水處理設備滑環,高強度石油測井儀器導電滑環,機器人焊接設備滑環,大電流導電滑環,清倉機用粉塵防爆滑環,高溫電滑環,加熱轉軸滑環 yo烘干機,炒料機,加熱攪拌機械滑環等等;

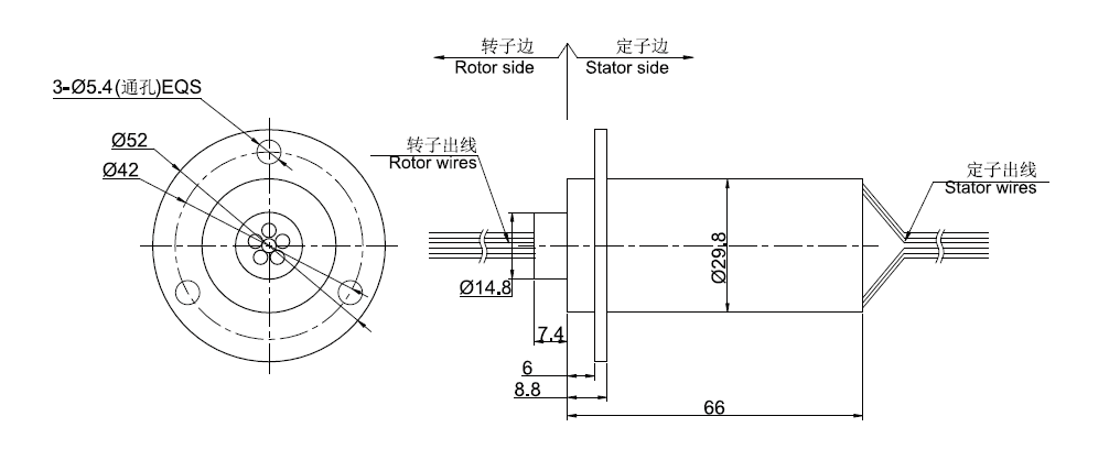
| 技術規格參數 | |||
| 機械技術指標 | 電氣技術指標 | ||
| 參數 | 數值 | 參數 | 數值 |
| 工作壽命 | 1000萬轉 | 功率 | |
| 額定轉速 | 150RPM | 額定電壓 | 0~380VAC/VDC |
| 工作溫度 | -30℃~80℃ | 絕緣電阻 | ≥1000MΩ/500VDC |
| 工作濕度 | 0~85% RH | 導線規格 | 10A=AWG#17;20A=AWG#14;30A=AWG#12; |
| 接觸材料 | 貴金屬 | 導線長度 | 標準長度300mm(可據要求調整) |
| 殼體材料 | PBT | 絕緣強度 | 500VAC@50Hz,60s |
| 轉動扭矩 | 0.1N·m;+0.03N·m/6路 | 動態電阻變化值 | <0.01Ω |
| 防護等級 | IP51,IP68,IP68 | ||








經過多年的經驗積累,默孚龍擁有20萬多個產品3D圖檔數據庫,
由于互聯網的開放性和同行競爭,需要產品3D圖檔的客戶請留下電子郵箱或者QQ。
審核完聯系方式后,我們的系統將在5分鐘內把3D自動發動到您的電子郵箱!